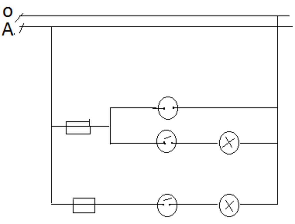
Thiết kế sơ đồ điện =>nguyên lý và lắp đặt a) 1c – 1 k – 1đ ( 220V – 40 W ) b) 1c – 1k – 2đ ( 220V – 40W ) Giúp.mình với ạ. Mình đag cần gấp, hứa sẽ

Thiết kế sơ đồ điện =>nguyên lý và lắp đặt
a) 1c – 1 k – 1đ ( 220V – 40 W )
b) 1c – 1k – 2đ ( 220V – 40W )
Giúp.mình với ạ. Mình đag cần gấp, hứa sẽ vote và chọn câu tlhn .

0 bình luận về “Thiết kế sơ đồ điện =>nguyên lý và lắp đặt a) 1c – 1 k – 1đ ( 220V – 40 W ) b) 1c – 1k – 2đ ( 220V – 40W ) Giúp.mình với ạ. Mình đag cần gấp, hứa sẽ”

  1. – Hai bóng đèn mắc song song với nhau.

    – Cầu chì và công tắc mắc vào dây pha.

    -(cái này mình chưa hểu lắm xin lỗi nhé)

    thiet-ke-so-do-dien-nguyen-ly-va-lap-dat-a-1c-1-k-1d-220v-40-w-b-1c-1k-2d-220v-40w-giup-minh-voiBình luận

Viết một bình luận