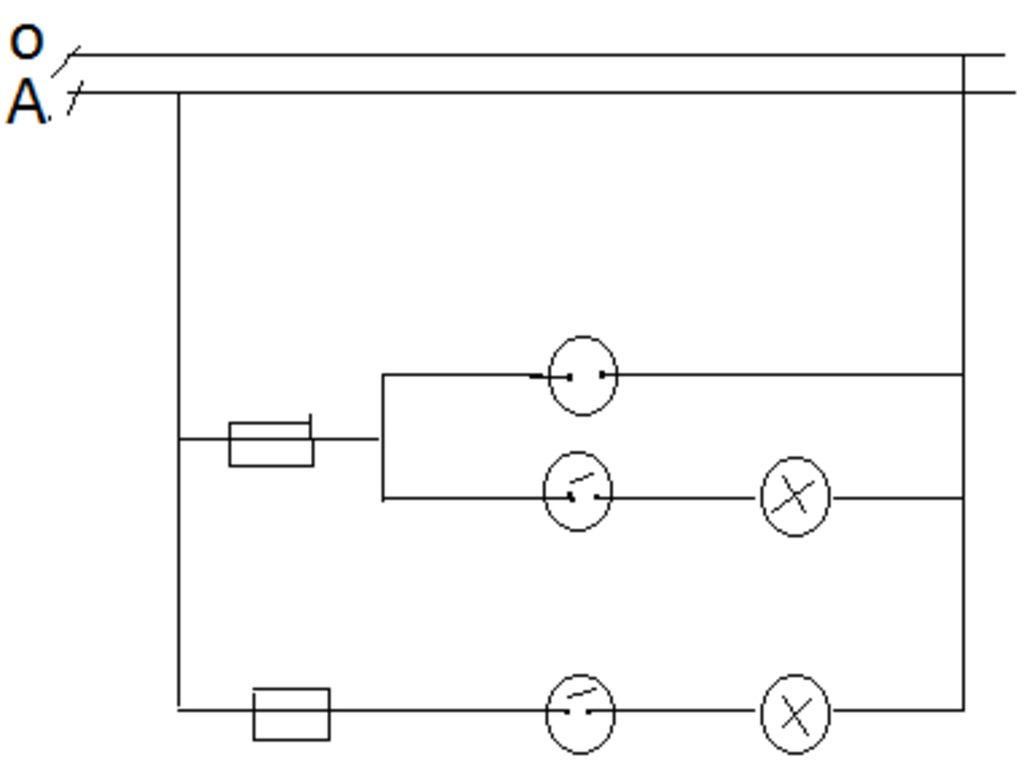
vẽ sơ đồ nguyên lí mạch điện trong phòng gồm:1 cầu dao,2 cầu chì,2 công tắc, 2 bóng đèn sợi đố mắc song song, 1 bóng đèn ông huỳnh quang,2 ổ cắm-hứa v

vẽ sơ đồ nguyên lí mạch điện trong phòng gồm:1 cầu dao,2 cầu chì,2 công tắc, 2 bóng đèn sợi đố mắc song song, 1 bóng đèn ông huỳnh quang,2 ổ cắm-hứa vote 5 *

0 bình luận về “vẽ sơ đồ nguyên lí mạch điện trong phòng gồm:1 cầu dao,2 cầu chì,2 công tắc, 2 bóng đèn sợi đố mắc song song, 1 bóng đèn ông huỳnh quang,2 ổ cắm-hứa v”

Viết một bình luận